|
|
|
 |
产品展示 |
 |
| 单路输出(普通大功率型) >> 上海明纬大功率 明纬开关电源HSCN-1200 |
| |
|
产品编号: |
HSCN-1200 |
产品名称: |
上海明纬大功率 明纬开关电源HSCN-1200 |
规 格: |
HSCN-1200 |
产品备注: |
上海明纬电子定做非标电源 |
产品类别: |
单路输出(普通大功率型) |
| |
|
| 产 品 说 明 |
|
型号规格:HSCN-1200单路输出开关电源 |
|
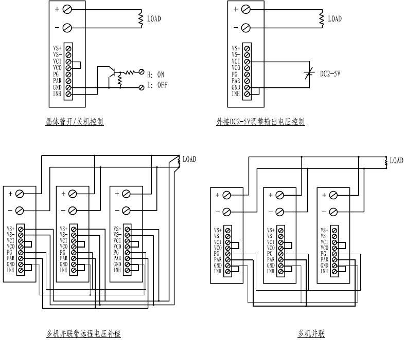
特点: 高可靠,低纹波 交流输入电压AC200~260V 保护特性:短路/过载/过压/过温 内置远程开/关机和电压补偿信号接口 具有可并联功能 由外部2~5V电压控制,可调节输出电压在额定电压的40%~100%范围值内 内置直流电扇强迫风冷 一年保质期 尺寸: 291*132*132mm (L*W*H) |

外壳编号:H032 | |
|
型号 |
HSCN-1200-05 |
HSCN-1200-12 |
HSCN-1200-15 |
HSCN-1200-24 |
HSCN-1200-48 |
|
输出 |
直流输出电压 |
5V |
12V |
15V |
24V |
48V |
|
输出电压容差 |
±2.5% |
±1% |
±1% |
±1% |
±1% |
|
额定输出电流 |
180A |
100A |
80A |
50A |
24A |
|
输出电流范围 |
0-180A |
0-100A |
0-80A |
0-50A |
0-24A |
|
输出功率 |
900W |
1200W |
1200W |
1200W |
1200W |
|
纹波及噪音 |
100mVp-p |
120mVp-p |
150mVp-p |
240mVp-p |
480mVp-p |
|
直流电压可调范围 |
±5%;由外部2~5V电压控制,可调节输出电压在额定电压的40%~100%范围值内 |
|
启动、上升、保持时间 |
800ms, 50ms, 16ms 满载 |
|
输入 |
输入电压范围 |
200~260 VAC47~63 Hz; 290~370VDC |
|
交流输入电流 |
11A/ 230 VAC |
|
效率 |
77% |
83% |
85% |
85% |
87% |
|
冲击电流 |
120A/230V |
|
漏电流 |
3.5 mA/240VAC |
|
保护特性 |
过载保护 |
101%~115% |
110%~135% |
|
保护方式:电流限制,延迟关断,重新启动 |
|
过电压保护 |
110%~135% |
|
保护方式:切断输出,重新启动 |
|
高温保护 |
TSW1(功率管)温度>100 ℃时切断输出,重新启动 |
|
环境 |
工作温度、湿度 |
-10℃~+65℃,20%~90 %RH |
|
保存温度、湿度 |
-20℃~+85℃,10%~95 %RH |
|
抗震性 |
10~200Hz,2G 10min./1周期,时长60分钟,各轴 |
|
安全 |
耐压性 |
I/P-O/P, I/P-FG:1500VAC |
|
绝缘电阻 |
I/P-O/P, I/P-FG, >100M Ohms / 500VDC |
|
符合标准 |
安全标准 |
符合UL1950,CSA22.2,IEC60950 |
|
EMC标准 |
符合FCC Part 15 Class A |
|
其它 |
重量 |
4.5Kg; |
|
包装 |
4pcs/20kg/CARTON |
|
备注 |
1.所有参数在未特别指明时,都是在230VAC电压输入,额定负载和25℃条件下测量所得值。
2.纹波和噪声电压是在20MHz带宽示波器带12英寸双绞线末端加0.1μ和47μ电容时测得。
3.容差是电压设定误差、电压调整率和电流调整率之总和。
4.本电源考虑做为一个器件安装在最终设备上,该设备必须重新确认它的EMC指标。 |




|
|
|
| 点击数:186 录入时间:2011/9/4 【打印此页】 【关闭】 |
|
|
 |
|
 |
|
|